Audio 101: Capacitors and Inductors
We're talking about EQ circuits for the next few weeks—call this audio tech talk for beginners.
We'll start with passive EQs and then we'll move to active and then digital emulations, but we need to start before all of that with an understanding of Capacitors and Inductors.
Let’s start with a circuit.

We have electrons flowing from a power source through a wire. We stick a resistor in the circuit.

Now, when the electrons come to it, it gets in their way a bit—picture a bunch of guys running down a hall who come to a doorway and have to squeeze through. The resistor is the doorway. It’s like the hallway gets narrower.
Now let’s stick a capacitor in the circuit.
A capacitor is like a room. The guys running down the hallway pile into the room—but there’s a wall across the middle with another door on the far side. They can’t cross that wall. They can only go back out the way they came.

Physically, a capacitor is two metal plates separated by a dielectric—an insulator. The “room” the electron guys get stuck in is one plate or the other, and the wall is the dielectric.
If the electrons in the circuit always move in one direction (DC, or Direct Current), they fill up one side of the “room” and have nowhere to go. The current stops—everything backs up. Electron constipation. That’s different from the resistor, which just makes the hallway narrower but still lets everyone through.
But audio signals are AC—Alternating Current. They flow one direction through the circuit and then the other. Because an audio waveform is a series of peaks and valleys—or as the English in the early 1960s might say, peaks and troughs—ups and downs.
How often does the current alternate? Well, at 60 Hz, it changes direction 60 times a second. Which means the electron guys run into one room, then leave and run into the other room 60 times in one second. At 2850 Hz, they’re in-out, in-out 2850 times per second.
So, a capacitor is a room with a divider, and a bunch of guys fill up one side of the room, leave, and then fill up the other side, each side entering and exiting through the only door they have access to. Electrically, the electrons accumulate on one plate, discharge, then fill up the other plate.
So, you’re wondering why this is important—or handy...
Back to our electron guys. We stuff them in the room, the room fills up, the flow of electron guys stops. Then we reverse the flow, the guys have to leave the room, and the other side fills up, which stops the flow of guys in the opposite direction. If the frequency is low, the guys have more time to stuff themselves into the room, the room gets more filled up. It’s like there’s a guard at the door saying, “Get in, plenty of room, keep coming, get in, get in…” And then when the flow reverses, the guard says, “Ok, get out, come on, keep moving, get out, get out…”
If we slow things down—fill up the room fully, empty it, then refill it fully from the other side—we gum up the works a bit. Things back up. There's electrons waiting around while the room fills up. The guys (electrons) can’t flow easily. So, there’s less movement, less “power” in the circuit.
But if the frequency is higher, the guard says, “Get in, get in—oh wait, we’re changing directions—get out, get out!” The room doesn’t fill up as much, which means it can empty faster. Not as many electrons collect on the plate, so there aren’t as many that have to leave the plate. The result is more movement in the circuit, which means more power.
So... as the frequency goes up, the capacitor makes it easier for electrons to flow through the circuit. As the frequency goes down, the capacitor makes it harder for electrons to move. When it’s harder for electrons to move, the power goes down—which means the low frequencies have less power. They roll off.
You’ve just made a high-pass filter.

Now we need a low-pass filter.
How do we do that?
Well, if a capacitor gives us a high-pass, then we need something like a backwards capacitor to make a low-pass. Makes sense, right?
What the hell is a backwards capacitor?
Well... if a capacitor is a room with a divider, and a bunch of guys fill up one side of the room, then the other, it seems to me that a backwards capacitor would be like a huge hallway that is always full of guys. No one leaving. No emptiness. Tons of guys.
So, if our electrons are running around the circuit and suddenly they get into a huge hallway packed with other electrons, that screws them up. How do they get through? “Excuse me, pardon me, pardon me, excuse me, sorry, I didn’t mean to touch your butt, pardon me…”
This gums up the works differently, doesn’t it? It’s kind of the same thing as a capacitor—we’re still messing with the flow of electrons—but in a different way.
Let’s bring frequency into this.
First of all, let’s give this hallway stuffed with extra guys a name. We’ll call it an inductor.
We have our running electron guys, and let’s say they’re changing directions at 100 Hz—one hundred times a second. That gives them 1/100 of a second to get through the inductor, which is a room packed with guys. So there’s time for them to go, “Excuse me, pardon me, pardon, whoops, sorry, pardon me…” But if we increase the frequency, we start giving them less time to get through the room, so it’s more like, “Pardon me, excuse—oh, I have to go the other way—excuse me, you again, pardon—oh! I have to go the other way, damn… me again, sorry, sorry…”
Do you see that as the frequency goes up, the electron guys kind of get caught in the inductor? At low frequencies, the electrons have time to get in and out, but as frequency goes up, they have less, and they get stuck in a swamp of other guys. When we gum up the works and inhibit movement, we decrease the power. Now we're gumming up the works at higher frequencies. The high frequencies have less power. We're rolling off the high frequencies. We have a low-pass filter.

Inductors pass the lows and roll off the highs.
What is an inductor physically like? Since we need space for lots of electrons, we need something big. Like a fatass chunk of wire. Like a coil of wire. And when we coil the wire, it’s sort of like taking the hallway and bending it a bunch, which makes it even harder for the electron guys to get through. Picture you’re at a long, bendy nightclub full of people and you’re trying to get through. The more time you have, the more able you are to make it to the other side. But at high frequencies, you come to the door of the club and think, “Screw this. I’m not even going in.”
We can control the frequency response of the inductor by making it from different types of materials, thicker wire, thinner wire, more coils, less coils, wrapping the wire around something, etc.
What if we stick a capacitor AND an inductor in the circuit at the same time?
Hmmm... so like this?

Well, if we stick this:

With this:

We get this:

And by adjusting capacitors and inductors, we can move the hump up and down the frequency spectrum, and make the hump narrower or wider. This is a bandpass filter.
The problem is that we're reducing gain only. We're rolling off the lows with the capacitor, and rolling off the highs with the inductor, so to make that hump louder compared to the highs and lows, so we have to amplify the signal after that. We need to add gain. So we stick an amplifier after, and now we have something like a Pultec, a passive EQ.
Why passive? Because the tone shaping uses passive components: resistors, capacitors, and inductors are passive: they work without additional electricity fed into them, and they can't amplify a signal.
A passive EQ means the signal is being reduced overall, because we're cutting things out of it, and then we amplify the whole thing, which brings the stuff we reduced back up to nominal and the things we passed get louder.
Kind of like what happens with a compressor, right? We selectively reduce the signal and then overall amplify it.
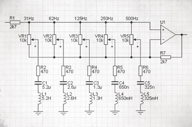
My circuit diagrams are ridiculously simplified—they don't have an input or an output—but the point is that you understand what's going on and start learning the symbols. It isn't hard to read a circuit diagram. You're already doing it. True, it's "Run, Spot! Run" for now, but eventually it will be, "The only completely stationary object in the room was an enormous couch, on which two young women were buoyed up as though upon an anchored balloon."
I also simplified a TON of electrical engineering stuff. Like electrons and what’s actually happening as things flow through wires and components. It’s not quite guys running around. And there are more words to learn, more jargon. But it’s a useful way to think of things at this stage. We’ll add some more ideas next week.
You don’t need to know this theory perfectly, but you’ll learn enough in the next few weeks that it will improve your engineering.

